Bombas de Engranajes Múltiples
Solicite un presupuesto
Bombas hidráulicas
Información Técnica
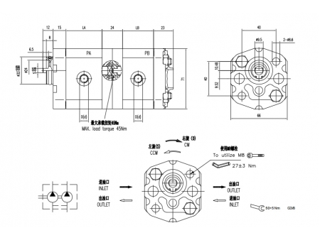
- Desplazamiento: 0.8~13.8cm³/rev.
- Dirección de rotación: sentido horario (D), sentido antihorario (S)
- Velocidad mínima: 600r/min
- Velocidad máxima: 2500r/min
- Presión máxima: 160~230bar
Indicaciones para elegir Bombas de Engranajes en tándem 1/1
Dimensiones estándar de las Bombas de Engranajes en tándem 1/1
| Desplazamiento | Presión máx. | Velocidad máx. | Velocidad min. | Dimensions | Código del puerto de aceite | Entrada | Salida | Código del puerto de aceite | Entrada | Salida | |||
| PA | PB | PA | PB | LA | LB | PA | D | d | PB | D | d | ||
| (cm³/rev.) | (cm³/rev.) | bar | bar | (r/min) | (r/min) | mm | mm | ||||||
| 0.8 | 0.8 | 230 | 230 | 35.6 | 35.6 | L3 | G3/8 | G3/8 | L3 | G3/8 | G3/8 | ||
| 1.1 | 1.1 | 230 | 230 | 2500 | 600 | 36.1 | 36.1 | L3 | G3/8 | G3/8 | L3 | G3/8 | G3/8 |
| 1.3 | 1.3 | 230 | 230 | 37.1 | 37.1 | L3 | G3/8 | G3/8 | L3 | G3/8 | G3/8 | ||
| 1.6 | 1.6 | 230 | 230 | 38.1 | 38.1 | L3 | G3/8 | G3/8 | L3 | G3/8 | G3/8 | ||
| 1.8 | 1.8 | 230 | 230 | 39.1 | 39.1 | L3 | G3/8 | G3/8 | L3 | G3/8 | G3/8 | ||
| 2.1 | 2.1 | 230 | 230 | 40.1 | 40.1 | L3 | G3/8 | G3/8 | L3 | G3/8 | G3/8 | ||
| 2.7 | 2.7 | 230 | 230 | 42.1 | 42.1 | L3 | G3/8 | G3/8 | L3 | G3/8 | G3/8 | ||
| 3.2 | 3.2 | 210 | 210 | 44.1 | 44.1 | L3 | G3/8 | G3/8 | L3 | G3/8 | G3/8 | ||
| 3.7 | 3.7 | 210 | 210 | 46.1 | 46.1 | L3 | G3/8 | G3/8 | L3 | G3/8 | G3/8 | ||
| 4.2 | 4.2 | 210 | 210 | 48.1 | 48.1 | L3 | G3/8 | G3/8 | L3 | G3/8 | G3/8 | ||
| 4.8 | 4.8 | 190 | 190 | 50.1 | 50.1 | L3 | G3/8 | G3/8 | L3 | G3/8 | G3/8 | ||
| 5.8 | 5.8 | 190 | 190 | 54.1 | 54.1 | L3 | G3/8 | G3/8 | L3 | G3/8 | G3/8 | ||
| 7.0 | 7.0 | 160 | 160 | 58.1 | 58.1 | L3 | G3/8 | G3/8 | L3 | G3/8 | G3/8 | ||
| 8.0 | 8.0 | 160 | 160 | 62.1 | 62.1 | L3 | G3/8 | G3/8 | L3 | G3/8 | G3/8 | ||
| Desplazamiento | Presión máx. | Velocidad máx. | Velocidad min. | Dimensions | Código del puerto de aceite | Entrada | Salida | Código del puerto de aceite | Entrada | Salida | |||
| PA | PB | PA | PB | LA | LB | PA | D | d | PB | D | d | ||
| (cm³/rev.) | (cm³/rev.) | bar | bar | (r/min) | (r/min) | mm | mm | ||||||
| 0.8 | 0.8 | 230 | 230 | 2500 | 600 | 35.6 | 35.6 | L3 | G3/8 | G3/8 | L3 | G3/8 | G3/8 |
| 1.1 | 1.1 | 230 | 230 | 36.1 | 36.1 | L3 | G3/8 | G3/8 | L3 | G3/8 | G3/8 | ||
| 1.3 | 1.3 | 230 | 230 | 37.1 | 37.1 | L3 | G3/8 | G3/8 | L3 | G3/8 | G3/8 | ||
| 1.6 | 1.6 | 230 | 230 | 38.1 | 38.1 | L3 | G3/8 | G3/8 | L3 | G3/8 | G3/8 | ||
| 1.8 | 1.8 | 230 | 230 | 39.1 | 39.1 | L3 | G3/8 | G3/8 | L3 | G3/8 | G3/8 | ||
| 2.1 | 2.1 | 230 | 230 | 40.1 | 40.1 | L3 | G3/8 | G3/8 | L3 | G3/8 | G3/8 | ||
| 2.7 | 2.7 | 230 | 230 | 42.1 | 42.1 | L3 | G3/8 | G3/8 | L3 | G3/8 | G3/8 | ||
| 3.2 | 3.2 | 210 | 210 | 44.1 | 44.1 | L3 | G3/8 | G3/8 | L3 | G3/8 | G3/8 | ||
| 3.7 | 3.7 | 210 | 210 | 46.1 | 46.1 | L3 | G3/8 | G3/8 | L3 | G3/8 | G3/8 | ||
| 4.2 | 4.2 | 210 | 210 | 48.1 | 48.1 | L3 | G3/8 | G3/8 | L3 | G3/8 | G3/8 | ||
| 4.8 | 4.8 | 190 | 190 | 50.1 | 50.1 | L3 | G3/8 | G3/8 | L3 | G3/8 | G3/8 | ||
| 5.8 | 5.8 | 190 | 190 | 54.1 | 54.1 | L3 | G3/8 | G3/8 | L3 | G3/8 | G3/8 | ||
| 7 | 7 | 160 | 160 | 58.1 | 58.1 | L3 | G3/8 | G3/8 | L3 | G3/8 | G3/8 | ||
| 8 | 8 | 160 | 160 | 62.1 | 62.1 | L3 | G3/8 | G3/8 | L3 | G3/8 | G3/8 | ||
Productos relacionados
Comentarios
Otros productos
Novedades
Señal de salida LED con iluminación lateral y panel acrílico transparente/espejado, JELBEX
ft-emergencylight.com.ar
Más
Otros productos
Vídeos

