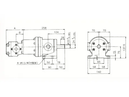
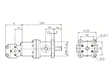
Bomba de paletas de desplazamiento fijo
Solicite un presupuesto
Esta bomba utiliza una bomba de paletas de desplazamiento fijo de gran caudal y bajo nivel de ruido para formar una bomba de alta-baja presión. Puede integrarse en un sistema de circuito de alta-baja presión con un solo motor, lo que ahorra energía eficazmente.
Especificaciones técnicas
| Modelo | Capacidad de entrega (cc/rev) | Max. presión (kgf/cm²) | Velocidad (rpm) | ||||
| Max. | Min. | ||||||
| a 1000rpm | a 1200rpm | a 1500rpm | a 1800rpm | ||||
| | — | 8.2 | 10.3 | 12.5 | 70 | 1800 | 950 |
| | 12 | 14.4 | 18 | 21.6 | 70 | 1800 | 950 |
| | 14.6 | 17.5 | 21.7 | 26.1 | 70 | 1800 | 950 |
| | 17 | 20.3 | 25.5 | 31.5 | 70 | 1800 | 950 |
| | 20 | 23.8 | 29.8 | 36.7 | 70 | 1800 | 950 |
| | 23 | 27.6 | 34.5 | 41.4 | 70 | 1800 | 950 |
| | 26.2 | 31.4 | 39.3 | 47.2 | 70 | 1800 | 950 |
| | 30.1 | 3.1 | 45.2 | 54 | 70 | 1800 | 950 |
| | 36.2 | 41.4 | 54.3 | 64 | 70 | 1500 | 950 |
| | 41.5 | 49.4 | 62 | 74.5 | 70 | 1200 | 950 |
| | 43 | 51.6 | — | — | 70 | 1500 | 950 |
| | 48.3 | 57.9 | 72.4 | 86.9 | 70 | 1800 | 900 |
| | 61.5 | 73.8 | 92.2 | 110.7 | 70 | 1800 | 900 |
| | 75.5 | 90.6 | 113.2 | 135.9 | 70 | 1500 | 900 |
| | 94.2 | 113 | 141.3 | 168 | 70 | 1500 | 900 |
| | 116.3 | 139.6 | 174 | — | 70 | 1200 | 900 |
- Tipo de brida 50T PA
- Tipo de base/pie 50T PA
- 150T PA
- 50T PB
Productos relacionados
Comentarios
Otros productos
Novedades
Más
Otros productos
Vídeos

