Rodillo superior para excavadora Volvo EC950
Solicite un presupuesto
Piezas del tren de rodaje de equipos pesados
Rodillos superiores / Rodillos portadores Volvo
Los rodillos superiores Volvo son componentes esenciales en el sistema de tren de rodaje de las excavadoras Volvo, proporcionando soporte a la oruga superior y manteniendo la alineación adecuada de la oruga.
- Modelos de excavadoras Volvo compatiblesEC950
Especificaciones técnicas
- Descripción: Rodillo portador
- Origen: China
- Marca: PT'ZM
- Modelo de máquina aplicable: EC950
- Marca de máquina aplicable: Volvo
- Número de pieza: /
- Certificado: GB/T19001-2016, ISO9001:2015
- Precio: A convenir
- Método de embalaje: Embalaje marítimo fumigado
- Plazo de entrega: 7-30 días
- Condiciones de pago: Transferencia bancaria (otras condiciones a convenir)
- Condiciones de envío: FOB, CIF, CFR
- Cantidad mínima de pedido: 1 unidad
- Capacidad de suministro: 100 unidades/mes
- Material: 40MnB2/42CrMo
- Proceso de fabricación: Forjado
- Acabado: Liso
- Dureza: HRC48-55, profundidad: 8-10mm
- Calidad: Construcción y minería
- Periodo de garantía: 12 meses
- Servicio posventa: Soporte técnico por video, en línea Soporte
- Color: Negro o según requerimiento del cliente
- Aplicación: Excavadora de cadenas
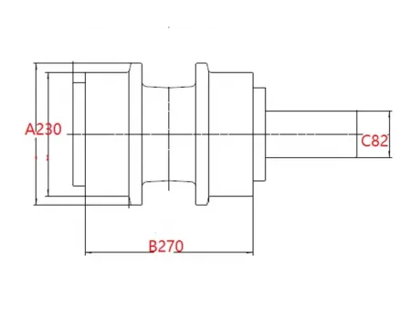
Tabla de tamaño (unidad: mm)
| EC950 | A | B | C |
| 230 | 270 | 82 |
Productos relacionados
Comentarios
Otros productos
Novedades
Señal de salida LED con iluminación lateral y panel acrílico transparente/espejado, JELBEX
ft-emergencylight.com.ar
Más
Otros productos
Vídeos

