Rodillo inferior para excavadora Hitachi ZX870
Solicite un presupuesto
Especializados en la fabricación de trenes de rodaje para maquinaria pesada de 20 a 330 toneladas
Ofrecemos alternativas OEM idénticas a las de los distribuidores, fabricantes y talleres de reparación más importantes del mundo.
Ofrecemos alternativas OEM idénticas a las de los distribuidores, fabricantes y talleres de reparación más importantes del mundo.
- Modelos de excavadoras compatibles HitachiEX700-2, EX750-5, EX800H-5, ZX670LCH, ZX800, ZX850-3, ZX850LC-3, ZX870LC-3VolvoEC650 2° TYPE, EC700B LCJohn Deere650D LC, 750, 800C, 850C, 850D LC
- Números de piezas OEM HITACHI 4473720, HITACHI 9127065, HITACHI 9134268, HITACHI 9151869, JOHN DEERE AT309605, KOBELCO LV64D00001F1, BERCO HT551, ITM A1680000M00
Especificaciones técnicas
- Descripción: Rodillo de oruga
- Origen: China
- Marca: PT'ZM
- Modelo de máquina aplicable: ZX870
- Marca de máquina aplicable: Hitachi
- Número de pieza: 9134268
- Certificado: GB/T19001-2016, ISO9001:2015
- Precio: A convenir
- Método de embalaje: Embalaje marítimo fumigado
- Plazo de entrega: 7-30 días
- Condiciones de pago: Transferencia bancaria (consultar otras condiciones)
- Condiciones de envío: FOB, CIF, CFR
- Cantidad mínima de pedido: 1 unidad
- Capacidad de suministro: 1000 unidades/mes
- Material: 40MnB2/42CrMo
- Proceso de fabricación: Forjado
- Acabado: Liso
- Dureza: HRC48-55, profundidad: 8-10mm
- Calidad: Construcción y minería
- Periodo de garantía: 12 meses
- Servicio posventa Servicio: Soporte técnico por video, soporte en línea
- Color: Negro o a petición del cliente
- Aplicación: Excavadora de cadenas
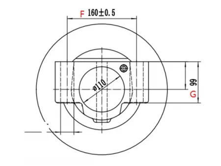
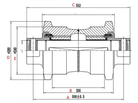
Tabla de tamaño (unidad: mm)
| ZX870 | A | B | C | D | E | F | G |
| 500 | 356 | 552 | 280 | 240 | 160 | 99 |

